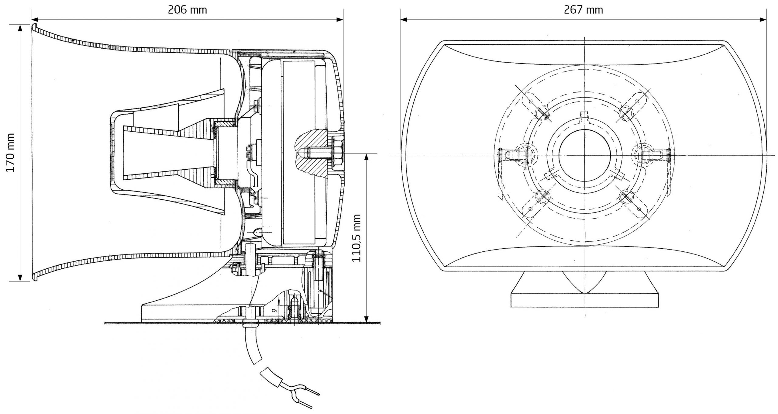
The loudspeakers LAD 335 is suitable for mounting on large vehicles. The large funnels and extra strong pressure chamber systems ensure a high level of efficiency, both for clear and penetrating special signals and for voice announcements.
LAD 335
More product information
About the product
Benefits
- For 24V vehicles
- Possible equipment on the vehicle:
– 2 x LAD 334
– 1 oder 2 x LAD 335 - Paintable
Drawings

